Frontpage of vendor AmarisHub PH
Pull Apart Quick Release Keychain Key Rings
$9.38
$9.43
18FT Solar Panel Cleaning Brush & Squeegee Kit, Proffesional Window Washing Tool, 22in Wide Brush...
$332.94
4TH Emotion Baby Car Seat Protector, Waterproof Potty Training Pad Car Seat Liner for Toddler Bab...
$13.77
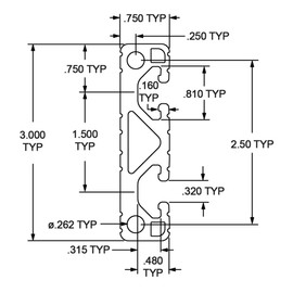
8020, 3034-Lite, 15 Series 3 Inch x 0.75 Inch T-Slotted Aluminum Extrusion DIY Extruded Slot Bar ...
$283.32
FEISEDY Reading Glasses for Women Fashion Half Frame Cat Eye Glasses Anti Glare Eyeglasses B0067 ...
$42.50
AHAVA Osmoter Concentrate Smoothing Lotion - Silky, Lightweight Lotion for Youthful Appearance, R...
$98.16
ANUA Retinol 0.1 Caffeine Revitalizing Eye Cream, Under Eye Cream For Hydration, Glow Up Eye Cont...
$49.22
Lab Alley Isopropyl Alcohol 99.8% Lab Grade, Perfect for Laboratory Research and Electronics Clea...
$210.34
Avenir Water Coloring Magic Painting Book for Toddlers 4 in 1 Creative Set with Water Painting,St...
$28.75
VIBILIA Healing Crystal Necklace Tree of Life Wire Wrapped Natural Stone Point Pendant Necklace H...
$72.04
Optibac Probiotics Every Day – Daily Digestive Supplement with 5 Billion Live Cultures & FOS Fibr...
$71.42
AKOAK 3 Pcs Sponge Ceaning Brush, Scratch Free Glass Cleaning Brush, 360 Degree Rotation, Deep Cl...
$18.32
KWB 9285-20 Clamp
$18.36